Product Summary
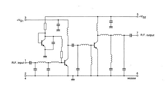
The bgy32z is a two stage amplifier module in a SOT132B package. Each module comprises two NPN silicon planar transistor dies together with lumped-element matching components. The application of the bgy32z is mobile communication equipment.
Parametrics
bgy32z absolute maximum ratings: (1)VS1 DC supply voltage: 15 V; (2)VS2 DC supply voltage: 15 V; (3)PD input drive power: 200 mW; (4)PL load power: 30 W; (5)Tstg storage temperature: -40 +100 ℃; (6)Tmb operating heatsink temperature: +90 ℃.
Features
bgy32z features: (1)Broadband VHF amplifiers; (2)18W output power; (3)Direct operation from 12V vehicle electrical systems.
Diagrams

(Hong Kong)






